| Kullanılabilirlik Durumu: | |
|---|---|
ZHC modu türü
Ultra yüksek voltajlı seramik kapasitör
Özellikler:
UR nominal voltajı 10kV.DC'den fazladır.
SAMLL Boyutu ve Yüksek Dielektrik Mukavemet Voltajı
Alev geciktirici epoksi reçine ile kaplanmıştır.
Düşük yayılma faktörü ve mükemmel frekans özellikleri.
Bu tür kapasitörler esas olarak CT81'den oluşur. CC81 radyal kurşun tipi, HFC, ZHC kalıp tipi ve HPC yüksek voltaj ağ kapasitörleri.
Uygulamalar:
Lazerler, X -ışını aparatı, hava temizleyicileri vb. Gibi yüksek voltaj DC güç kaynakları.
Renkli ekran için odak devrelerinde kullanılır, görüntünün tüm ekrandan daha iyi odaklanmasını sağlar.
Elektrostatik kaplama makinelerinde kullanılır.
Spesifikasyon:
Sıcaklık aralığı | Test koşulu | ||
-25 ℃ ~+85 ℃ | sıcaklık | Gerilim | sıklık |
20 ± 2 ℃ | 1.0 ± 0.2V | 1 kHz veya 1 MHz | |
Nominal Voltaj (UR): 10-40kv.dc
Nominal kapasitans: 1-10000pf
Tolerans: J: ±%5; K ; ±%10; M: ±% 20
Sıcaklık. Char.: Bn, B, R, D, E, F, SL, YL.
Dağılım Faktörü: BN≤0.5% R, D≤0.2%
B, E, F≤2.5% (1kHz)
SL, YL≤0.15% (1MHz)
Yalıtım Direnci: 10000m Ω dk.
Test voltajı: 1.5ur
HFC Odak Türü:
Bu tür kapasitörler esas olarak HFC-11 ve HFC-12 tipinden oluşur.
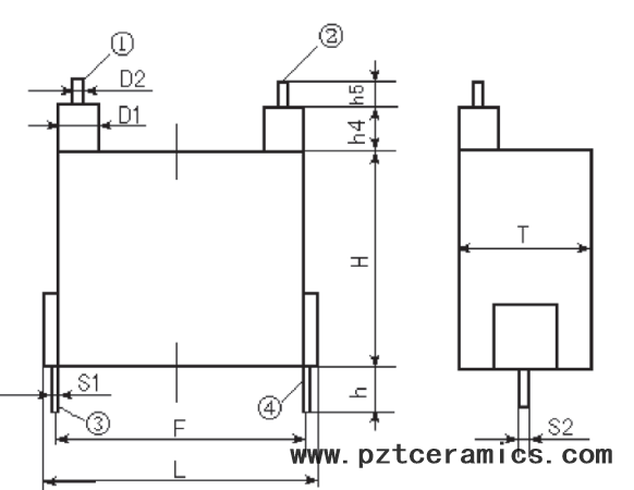
Görünüm ve şematik çizimin boyutu
Kod No. | L ± 1.0 | H ± 1.0 | F ± 1.0 | T ± 1.0 | D1 Φ ± 0.5 | D2 Φ ± 0.1 | H1 ± 0.5 | H2 ± 0.5 | H3 ± 0.5 | H4 ± 0.5 | H5 ± 0.5 | H6 ± 1.0 | S1 ± 0.1 | S2 ± 0.1 | d Φ ± 0.1
|
HFC-11-15KV-102K | 27.0 | 38.0 | 18.0 | 14.5 | 5.8 | 3.2 | 4.5 | 2.8 | 1.7 | 10.0 | 600 (480) | 9.0 | 1.0 | ||
HFC-12-15KV-102K | 34.0 | 27.0 | 31.0 | 18.0 | 6.4 | 2.35 | 4.5 | 8.0 | 3.3 | 0.7 | 1.75 |
| Kod No. | Görünüm boyutu | Şematik çizim |
| HFC-11 | ![]() | ![]() |
| HFC-12 | ![]() | ![]() |
Temas etmek:
E-posta: sales@pztceramics.com
violet.shan@pztceramics.com
Tel.: +86 131 6536 1320
Web: www.pztceramics.com
Ultra yüksek voltajlı seramik kapasitör
Özellikler:
UR nominal voltajı 10kV.DC'den fazladır.
SAMLL Boyutu ve Yüksek Dielektrik Mukavemet Voltajı
Alev geciktirici epoksi reçine ile kaplanmıştır.
Düşük yayılma faktörü ve mükemmel frekans özellikleri.
Bu tür kapasitörler esas olarak CT81'den oluşur. CC81 radyal kurşun tipi, HFC, ZHC kalıp tipi ve HPC yüksek voltaj ağ kapasitörleri.
Uygulamalar:
Lazerler, X -ışını aparatı, hava temizleyicileri vb. Gibi yüksek voltaj DC güç kaynakları.
Renkli ekran için odak devrelerinde kullanılır, görüntünün tüm ekrandan daha iyi odaklanmasını sağlar.
Elektrostatik kaplama makinelerinde kullanılır.
Spesifikasyon:
Sıcaklık aralığı | Test koşulu | ||
-25 ℃ ~+85 ℃ | sıcaklık | Gerilim | sıklık |
20 ± 2 ℃ | 1.0 ± 0.2V | 1 kHz veya 1 MHz | |
Nominal Voltaj (UR): 10-40kv.dc
Nominal kapasitans: 1-10000pf
Tolerans: J: ±%5; K ; ±%10; M: ±% 20
Sıcaklık. Char.: Bn, B, R, D, E, F, SL, YL.
Dağılım Faktörü: BN≤0.5% R, D≤0.2%
B, E, F≤2.5% (1kHz)
SL, YL≤0.15% (1MHz)
Yalıtım Direnci: 10000m Ω dk.
Test voltajı: 1.5ur
HFC Odak Türü:
Bu tür kapasitörler esas olarak HFC-11 ve HFC-12 tipinden oluşur.
Görünüm ve şematik çizimin boyutu
Kod No. | L ± 1.0 | H ± 1.0 | F ± 1.0 | T ± 1.0 | D1 Φ ± 0.5 | D2 Φ ± 0.1 | H1 ± 0.5 | H2 ± 0.5 | H3 ± 0.5 | H4 ± 0.5 | H5 ± 0.5 | H6 ± 1.0 | S1 ± 0.1 | S2 ± 0.1 | d Φ ± 0.1
|
HFC-11-15KV-102K | 27.0 | 38.0 | 18.0 | 14.5 | 5.8 | 3.2 | 4.5 | 2.8 | 1.7 | 10.0 | 600 (480) | 9.0 | 1.0 | ||
HFC-12-15KV-102K | 34.0 | 27.0 | 31.0 | 18.0 | 6.4 | 2.35 | 4.5 | 8.0 | 3.3 | 0.7 | 1.75 |
| Kod No. | Görünüm boyutu | Şematik çizim |
| HFC-11 | ![]() | ![]() |
| HFC-12 | ![]() | ![]() |
Temas etmek:
E-posta: sales@pztceramics.com
violet.shan@pztceramics.com
Tel.: +86 131 6536 1320
Web: www.pztceramics.com